

型 号:MT-110 | 规 格:3380-3.0Y |
额定电压:三相380V | 频 率:50Hz |
电热功率:3.0KW | 进风温度:常温~230℃ |
最大风量:1620m3/h | 最高风压:2560Pa |
更多项目参数请咨询销售代表! | |
产品分类
热风机选型
鼓风机选型
盛驰中压耐温风机简介
盛驰耐温风机采用特制耐高温电机,风轮与电机之间有专用散热装置保护电机的正常工作,适合用于高温循环的使用环境,入风口耐温高达230℃,采用风冷。
风机的安装形式
1.风机有两种形式:从电机一侧正视,叶轮顺时针旋转者称右旋风机,以“右”表示;叶轮逆时针旋转称优选风机,以“左”表示
2.风机的出口位置,以机壳的出风口角度表示。传动方式均为“A”式直联传。
风机的结构特点
1.风机主要有叶轮、机壳、进风口、电机、散热风叶、散热装置等部分组成。
2.叶轮采用多翼式离心叶轮,用优质的镀锌板或冷轧钢板制成,叶片依据空气动力原理设计。材料用强度高,耐用性好的优质钢板制造,并经严格的动、静平衡校正。空气性能良好,效率高,运转平稳。
3.进风口采用收敛流线型减涡形式,气流损失较小,风机的工作效率高。
4.风机机壳与电机之间安装专业设计的散热装置,电机轴头上安装散热风叶,确保电机在高温下正常运行。
5.其电机采用特殊高温电机(F级,IP54,采用进口轴承),风机流体部分采用耐温材料,降温结构性能可靠。
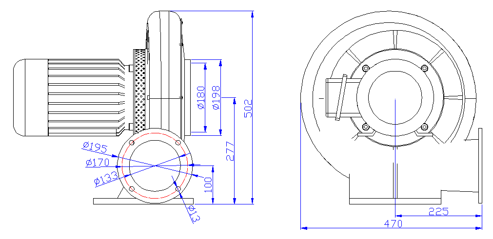
盛驰中压耐温风机尺寸示意图

注:电机使用环境为温度-10℃≤40℃,温度≤85%;50/60HZ,F级绝缘,IP54防护,中压耐温风机只有右旋0°安装形式。