盛驰智能工业热风机概述
盛驰智能工业热风机是一款集高效加热、精准控温、智能操作、安全稳定于一体的现代工业热风解决方案。它通过大尺寸彩色触摸屏取代了传统的物理按键和数码管显示,极大地提升了人机交互体验,使设备操作更加直观、简单和现代化。主要面向对温度控制精度、操作便捷性和生产自动化有较高要求的工业应用场景。
盛驰智能工业热风机通过精准的PID温控和可编程的自动化功能,将工业热风设备的使用体验和工艺控制水平提升到了一个新的高度。对于追求生产效率、产品品质和操作现代化的企业来说,这是一款非常值得考虑的高性价比设备。
盛驰热风机简介
盛驰热风机是通过对国际领先技术的充分学习的基础上,自行研制开发的一款现代工业热源升级换代的首选产品,广泛应用于电子、食品、制药、印刷、包装、清洗、热处理……各行业,有十分良好的应用前景,是热风干燥行业自动化机械的最佳热风源配置。
具有以下特点
* 风洞效应设计,冷风从螺旋电热丝内/外侧均匀通过,热交换率高;
* 非磁性纯2080镍铬丝,不产生废气及特殊气味,符合环保;
* ID/SSR控制,精确控温,反馈快,持久耐用;
* 多重过热过载保护装置,特殊隔热保温,使用安全可靠,可全年365日不停运转工作;
* 循环型采用专利设计的散热装置,持续进风温度可达230℃;
* 标准型采用变频器调节电机转速以调节风量,节能,调节准确;
* 另配有专用温控设备,开关及温控调节部分可安装于风机表面,亦可远程PLC控制,便于操作控制;
* 盛驰热风机温度控制精度达到±0.5度以内。
盛驰智能工业热风机核心优点:
1. 智能触控操作界面(最核心的亮点):大尺寸彩色触摸屏: 配备高清液晶屏,显示信息丰富、清晰。图形化交互界面: 告别复杂的代码和按键组合,所有参数设置均通过直观的图标、菜单和数字键盘完成,如同操作智能手机一样简单。
2、节能高效:直接加热空气,热转换率高达95%以上,比传统电暖器更省电。
3、即开即热:无需预热,开机数分钟内输出热风,适合急需升温的场合。
4、安全可靠:配备过热保护、自动断电、防烫外壳等设计,降低火灾风险。
5、灵活多用:多场景适用(空间加热、电子烘干、工业领域...),满足多样化需求。
6、环保低噪:无燃烧废气排放,采用低噪音电机。
7、耐用易维护:结构简单,故障率低,使用寿命长。
8、温度可自由调节:精准控温,常温~350℃。
9、支持多段温控编程,非常适合需要特定温度曲线的生产流程。
10、可根据客户要求定制生产。
型号说明 规格说明

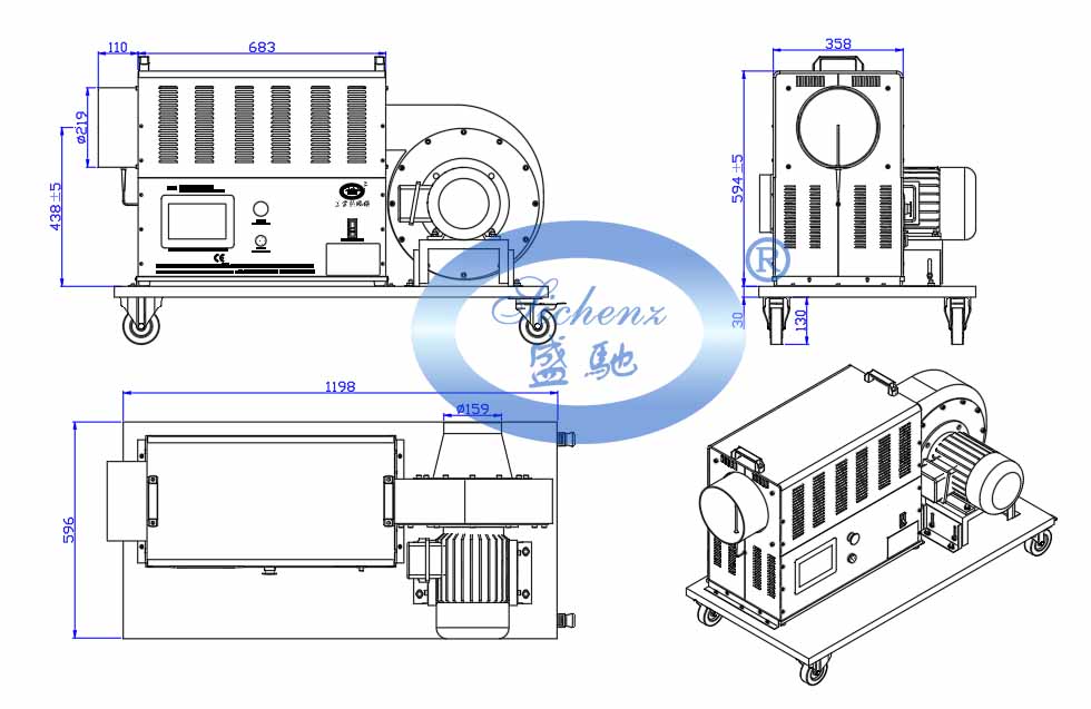
盛驰智能工业热风机-通用型尺寸

盛驰智能工业热风机-通用型参数表

用途:材料热处理加工,电机防潮绝缘干燥,仪器具干燥,流水线加温干燥,代替燃煤、燃油干燥的最佳热源···